لا تبحث في جوجل عن "ما هو ماكينة طحن CNCإلا إذا كان هناك شيء حقيقي على المحك. ربما تحاول بناء منتج. ربما تقوم بتسعير قطع الغيار. أو ربما تحدق في كتالوج آلة وتفكر، هل أنا على وشك ارتكاب خطأ مكلف؟
المشكلة هي أن معظم أدلة تشغيل آلات التفريز CNC إما تتحدث بلغة كتب الهندسة أو تبسط كل شيء بشكل مفرط حتى يصبح عديم الفائدة. هذا الدليل لن يفعل ذلك. سنشرح بالتفصيل كيفية عمل آلة التفريز CNC، وماذا تعني عبارة "CNC milled" حقًا، وكيفية اختيار الآلة المناسبة دون إهدار المال. هل أنت محتار بينمقارنة بين عمليات الطحن باستخدام الحاسوب (CNC) وعمليات الخراطة باستخدام الحاسوب (CNC).اقرأ مدونتنا حول هذا الموضوع لتوضيح كل شيء.
تُعدّ عملية الطحن باستخدام الحاسوب (CNC) عملية قطع يتم التحكم فيها بواسطة الحاسوب. لكن هذا التعريف مملٌّ ويغفل جوهر الموضوع: فقد غيّرت هذه العملية كل شيء. تقوم أداة دوارة بنحت المادة من كتلة صلبة، مُشكّلةً أشكالاً وميزات وثقوباً، ولكن ذلك يتم بفضل نظام رقمي مُخصّص حلّ محلّ الروافع والعجلات التي تُدار يدوياً بالكامل.
انظر، أنت تصمم القطعة على جهاز كمبيوتر، ثم تنقل الملف، وتقوم الآلة بتنفيذ عملية القطع بدقة جراحية لا تقبل المساومة. لهذا السبب تعتمد صناعات مثل الطيران والفضاء والسيارات والروبوتات بشكل كبير على هذه التقنية. لا تستطيع الأيدي البشرية أن تضاهي باستمرار دقة الأبعاد المطلوبة للتقنيات المتقدمة. مكونات من الدرجة المستخدمة في صناعة الطيران.
في كيسو، اعتمدنا تقنية الطحن CNC المتقدمة منذ البداية، وتتجلى خبرة فريقنا العميقة في مجال التصنيع بوضوح في دقة وتناسق القطع النهائية. يُحضر إلينا العديد من العملاء مكونات لم تجتز اختبارات التفاوتات في ورش أخرى، ليجدوا دقةً واستقرارًا أكبر بمجرد نقل الإنتاج إلينا. في مجال التصنيع، أنت تختار عمليات الورشة وخبرتها، وهذا ما يضمن تصنيع قطعك الأساسية بشكل صحيح من المرة الأولى.
تدقيق الحقائق: هل تعلم أن آلات الطحن باستخدام الحاسوب (CNC) مسؤولة عن تصنيع مكونات ذات دقة متناهية، حتى أن عرض شعرة الإنسان أصغر من سمكها؟ نتحدث هنا عن دقة قابلة للتكرار تصل إلى ميكرون واحد في التطبيقات عالية الدقة أو المتخصصة. إنها ليست أفضل من العمل اليدوي فحسب، بل تعمل في عالم مختلف تمامًا من الدقة. هذه القدرة هي السبب وراء اعتماد سوق الأتمتة الصناعية العالمي بشكل كبير على أجزاء مصنعة باستخدام الحاسوبمن المتوقع أن تصل قيمتها إلى ما يقارب 400 مليار دولار في السنوات القادمة. هذا هو نوع التأثير الذي نتحدث عنه.

إن أكبر فرق بين آلة الطحن اليدوية التقليدية ونظام CNC الحديث يكمن في شيء واحد: التحكم، ومن تثق به ليحتفظ به.
في المطحنة اليدوية، يتحكم المشغل بكل شيء تحكماً كاملاً. كل حركة للأداة، وعمق القطع، وسرعة التغذية - كل ذلك يعتمد على يد ذلك الشخص وعينه وتركيزه في تلك اللحظة. بمجرد أن يبدأ التعب، أو يزول تأثير القهوة، قد تتغير دقة القياسات.
والآن، لننظر إلى ماكينة التفريز CNC. لا تعتمد حركاتها على الإحساس، بل على سطور من التعليمات البرمجية. تُنفذ الماكينة الإحداثيات بدقة متناهية، دورةً تلو الأخرى. لهذا السبب، أصبحت ماكينة التفريز CNC في معظم الصناعات الطريقة الأساسية لإنتاج قطع دقيقة.
تخيل أنك تطلب غلافًا لشفرة توربينية بالغة الأهمية. هل تفضل أن يتم تصنيع هذا الجزء بواسطة نظام يوفر دقة متوقعة وقابلة للتكرار تصل إلى الميكرون، أم بواسطة إنسان يعتمد على الغريزة؟
هذا هو الفرق. توفر آلة الطحن CNC ما يلي:
هذا التحسن الكبير في القدرة على التنبؤ والدقة هو السبب في أن الطحن باستخدام الحاسوب هو الخيار السائد لمعظم تطبيقات التصنيع الحديثة، في حين أن الطحن اليدوي يستخدم بشكل أساسي اليوم لإجراء إصلاحات صغيرة، أو نماذج أولية بسيطة، أو للتدريب، أو مهام ذات حجم منخفض حيث لا تكون هناك حاجة إلى تفاوتات ضيقة للغاية.
عندما ترى منتجًا يحمل علامة "CNC milled"، فهذا يعني أن الجزء لم يتم تشكيله أو صبه أو قطعه بشكل تقريبي، بل تم نحته مباشرة من قطعة صلبة من المواد باستخدام آلة طحن CNC التي اتبعت تعليمات رقمية دقيقة.
هذا الأمر مهم لأن أجزاء مصنعة باستخدام آلة CNC عادة ما تتضمن ما يلي:
عندما يتحول المصنعون إلى استخدام آلات التفريز المزودة بتقنية التحكم الرقمي الحاسوبي (CNC)، فإنهم يفعلون ذلك عادةً لسبب واحد: الاتساق. فكل قطعة تخرج متطابقة تقريباً، حتى عند الإنتاج بكميات كبيرة.

إذا نقرت هنا متسائلاً "كيف تعمل ماكينة CNC؟"، فأنت لا تبحث عن معلومات سطحية، بل تريد اتخاذ قرار مفيد. ربما تحاول: اختيار الماكينة المناسبة، أو تحديد نقطة اختناق في الإنتاج، أو تسعير قطعة بدقة، أو التوقف عن إهدار الخردة الناتجة عن الإعدادات الخاطئة. إن فهم كيفية عمل الماكينة بشكل كامل يمنحك ثلاث مزايا حقيقية: القدرة على التنبؤ (ستعرف أين تكمن عوامل الوقت والتكلفة)، والتحكم (ستتوقف عن التخمين بشأن معدلات التغذية والسرعات والتثبيت)، واستكشاف الأخطاء وإصلاحها (ستكتشف المشاكل قبل أن تُفسد عملية الإنتاج). لذا اقرأ هذا وكأنك على وشك تشغيل أول مشروع غدًا، وليس وكأنك تستعد لاختبار.
نظام التفريز باستخدام الحاسوب (CNC) أداة دقيقة للغاية. إنه أداة قطع يتم التحكم فيها بواسطة الحاسوب، مصممة لنحت المواد من كتلة صلبة والحصول على الشكل المطلوب بدقة. لكن هذه القدرة لا تقتصر على مجرد القطع البسيط، بل تتطلب قدراً هائلاً من التنسيق الهندسي. إذ يتعين على الآلة ضبط سرعة دوران المغزل، وحركة الأداة، وإزالة الرايش، وتوصيل سائل التبريد، ومنطق تحكم معقد، وذلك فقط لجعل هذا المكون المعقد قابلاً للتكرار.
راقب ماكينة التفريز CNC عند بدء التشغيل. يدور المغزل فورًا بأقصى سرعة، تصل إلى آلاف الدورات في الدقيقة، حسب نوع المادة والأداة، وتتحرك أداة القطع إلى موضعها الأولي. تستقر قطعة العمل هناك، مثبتة بإحكام تام على الطاولة.
تقوم وحدة التحكم بقراءة رمز G، وهو عبارة عن نص برمجي مُفصّل يُستخرج مباشرةً من برنامج CAM الخاص بك. تقوم وحدة التحكم بتحويل هذا النص البرمجي فورًا إلى حركات محاور دقيقة ومنسقة، تصل إلى إحداثيات دقيقة تصل إلى أجزاء من مئة أو ألف من المليمتر.
مع تطاير الرقائق، يقوم سائل التبريد أو الرذاذ بمعالجة الحرارة في الوقت نفسه. ويعمل نظام التحكم نفسه على تصحيح أي خلل أو انحرافات فيزيائية طفيفة، مما يضمن أن يكون المكون النهائي مطابقًا تمامًا لنموذج التصميم بمساعدة الحاسوب (CAD).
هناك بعض الأمور الحاسمة في هذه العملية. سرعة دوران المغزل ومعدل التغذية هما العاملان الرئيسيان في عملية القطع؛ فأي خطأ في إدارة هذين العاملين يضمن الحصول على سطح نهائي رديء وتلف سريع للأداة. كما أن استراتيجية مسار الأداة، أي كيفية تشكيل الشكل الأولي مقابل كيفية تشطيبه النهائي، تحدد إجمالي القوة والحرارة التي تتعرض لها الأداة. وأخيرًا، التثبيت. إنها الخطوة الأساسية، ولكن أي خطأ فيها هو أسرع طريقة لإتلاف دفعة كاملة من القطع باهظة الثمن.

تقوم آلة الطحن الأساسية بتحريك أداة القطع على ثلاثة محاور خطية: المحور السيني (يسار-يمين)، والمحور الصادي (أمام-خلف)، والمحور العيني (أعلى-أسفل). ولكن هذه مجرد البداية:
إذا وقفت بجانب حديث مطحنة CNC خماسية المحاور أثناء العمل على مشروع معقد، ستلاحظ أن حركة الآلة سلسة ومنسقة بدلاً من الحركات المتقطعة؛ وهذا بفضل الحركة المحورية المتزامنة التي تقوم بالعمل الشاق. ولا يقتصر الفرق على الحركة السلسة فحسب، بل يشمل أيضاً تقليل عمليات الإعداد، والحصول على تشطيب أنظف، وتصنيع قطع غيار مطابقة للمواصفات المطلوبة.
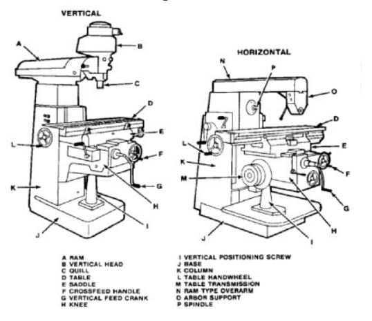
ألقِ نظرة معمقة على كيفية عمل آلات التفريز CNC في الدليل المرفق!
إذا كان كل هذا يجعل عملية الطحن باستخدام الحاسوب تبدو قوية ولكنها في الحقيقة تبدو معقدة بعض الشيء، فهذا أمر طبيعي. شراء آلة الطحن، وإعدادها، وضبط معدلات التغذية والسرعات، والأدوات، والتجهيزات، كل هذا يتطلب الكثير قبل حتى أن تصنع أول قطعة جيدة.
إذا كنت ترغب فقط في الحصول على قطع غيار مقطوعة بدقة من المرة الأولى، فإن كيسو توفر لك ذلك. نقوم بتصنيع قطع غيار عالية الجودة تبدأ أسعارها من 5 دولارات للقطعة الواحدة، دون أن تضطر إلى استخدام آلة أو القلق بشأن الإعدادات أو الأدوات أو الهدر.
ما عليك سوى تحميل ملف CAD الخاص بك - وسنتولى نحن كل شيء آخر.

يُعدّ المغزل بمثابة عضلة الماكينة. فهو يحمل أداة القطع ويديرها بسرعة عالية لقطع المعادن أو البلاستيك أو المواد المركبة. وتحدد جودة المغزل مدى سلاسة القطع ونظافة سطح القطعة المصنّعة باستخدام آلة CNC عند إزالتها من على الطاولة. فإذا كان المغزل به ارتخاء أو اهتزاز، يظهر ذلك فورًا على شكل علامات اهتزاز وانخفاض في دقة القياسات.
لا تتوقف الآلات الحديثة لتغيير الأدوات يدويًا. إذ يقوم مبدل الأدوات الأوتوماتيكي بتخزين عدة قواطع وتبديلها في ثوانٍ. تستخدم آلات التفريز CNC الجيدة هذا النظام للانتقال بسلاسة من مرحلة التخشين إلى مرحلة التشطيب دون الحاجة إلى تعديل الإعدادات. وهذا ما يسمح بتصنيع الأجزاء المعقدة في عملية واحدة بدلًا من عدة خطوات يدوية.
هذا هو مركز التحكم ولوحة التحكم. يقوم المشغلون بتحميل البرامج، وضبط معدلات التغذية والسرعات، وإعادة ضبط الماكينة، ومراقبة عملية القطع من هنا. في ماكينة التفريز CNC المُضبوطة بدقة، توفر لوحة التحكم بيانات فورية مثل حمل المغزل وموضع المحور، مما يسمح باكتشاف المشاكل قبل أن تتسبب في تلف القطعة أو الأداة.
تُثبّت المادة الخام بإحكام على طاولة العمل. تمنع أدوات التثبيت، والملاقط، والمشابك، والقوالب المصممة خصيصًا، القطعة من الحركة أثناء تشكيلها. يُعدّ التثبيت المستقرّ الفرق بين قطعة مصنّعة بدقة عالية باستخدام آلة CNC، وقطعة خردة مليئة بأخطاء كادت أن تُفسدها. التثبيت الجيد هادئ، وبسيط، وغاية في الأهمية.
الحرارة عدو الدقة. تعمل أنظمة التبريد على رش أو غمر منطقة القطع للتحكم في درجة الحرارة وإطالة عمر الأداة. تنقل ناقلات الرقائق والمثاقب اللولبية مخلفات المعدن بعيدًا قبل تراكمها وإعاقتها للقطع. تحافظ آلة التفريز CNC المصممة جيدًا على نظافة منطقة القطع، بحيث تقطع الأداة المادة باستمرار، دون إعادة قطع الرقائق المتناثرة.
قبل النظر إلى الآلات، عليك فهم الأدوات. فجودة آلة التفريز CNC تعتمد كلياً على جودة أداة القطع بداخلها. استخدام أداة خاطئة يُفسد جودة السطح، ويُخلّ بالدقة المطلوبة، وقد ينكسر أثناء العمل.